5.2.3.5.3.1. Алгоритм

Алгоритм позволяет:
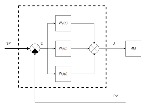
рассчитывать управляющее воздействие в зависимости от рассогласования фактического значения регулируемого параметра и заданной величины (ошибки регулирования) по различным передаточным функциям;
обрабатывать локальный или внешний номинал, осуществлять коррекцию задания;
блокировать регулирование в определённом направлении в зависимости от действующих запретов;
ограничивать диапазон задания и диапазон выходного управляющего воздействия;
обеспечивать статическую или динамическую балансировку для безударного изменения источника задания или режима работы;
выполнять диагностику регулятора.

Структурная схема:
Скорость и направление хода клапана в зависимости от рассогласования фактического значения регулируемого параметра и заданной величины (ошибки регулирования) рассчитывается по выбранной передаточной функции:
