5.2.4.2.1. Алгоритм

Алгоритм позволяет:
рассчитывать управляющее воздействие в зависимости от рассогласования фактического значения регулируемого параметра и заданной величины (ошибки регулирования) по различным передаточным функциям;
обрабатывать локальный или внешний номинал, осуществлять коррекцию задания;
блокировать регулирование в определённом направлении в зависимости от действующих запретов;
ограничивать диапазон задания и диапазон выходного управляющего воздействия;
обеспечивать статическую или динамическую балансировку для безударного изменения источника задания или режима работы;
выполнять диагностику регулятора.

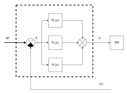
Скорость и направление хода клапана в зависимости от рассогласования фактического значения регулируемого параметра и заданной величины (ошибки регулирования) рассчитывается по передаточной функции.
Структурная схема:
Передаточная функция:
![]() |
Управляющий сигнал U рассчитывается по формуле:
Пропорциональная часть рассчитывается по формуле:
![]() где E – ошибка регулирования.
|
Дифференциальная часть рассчитывается по формуле:
где E – ошибка регулирования.
|
Дифференциально-дифференцирующая часть рассчитывается по формуле:
![]() |



