5.5.2.1.4.6. Функция ограничения сброса
Функция ограничения сброса предотвращает ситуацию интегрального насыщения путем установки границ для интегральной составляющей в расчете ПИД управления. Функция ограничения сброса применима только для управляющих действий позиционного типа.
Сброс интегрального насыщения
В расчете ПИД управляющих воздействий значение, получаемое интегрированием, представляет собой значение интеграла отклонения во времени. Следовательно, если при прекращении автоматического управления периодическим процессом отклонение продолжает регистрироваться, интегральная составляющая в расчете ПИД-управляющих воздействий растет до предельных значений за счет интегрирования. Это состояние называется интегральным насыщением.
Интегральное насыщение часто происходит в следующей ситуации:
Значение управляющего воздействия выходит за верхний или нижний пределы управляющего выхода MH, ML, и выходной сигнал ограничивается ограничителем H/L.
Выходной сигнал на управляющий выход отключается автоселекторами и т.п.
Управляющий выходной сигнал используется как дополнительный сигнал от ПИД регулятора (M_PID) для тонкой настройки управления с упреждением основной нагрузки.
Когда происходит интегральное насыщение, вычисляемый MV имеет тенденцию к выходу за пределы, что приводит к дестабилизации процесса. В контуре управления, в котором может наблюдаться интегральное насыщение, следует выбирать управляющее воздействие позиционного типа и использовать функцию ограничения сброса.
Функция ограничения сброса
Функция ограничения сброса выполняет коррекцию расчета ПИД-управляющих воздействий, используя значение, считанное с адресатов соединений через клеммы RL1 и RL2.
Значения, считанные с адресатов соединений через клеммы RL1 и RL2, используются как сигналы сброса RLV1, RLV2. Сигналы сброса RLV1, RLV2 используются для выполнения приведенного ниже корректирующего вычисления с выходным значением ПИД-вычисления (∆MVn0). Таким образом, когда выходное значение MV ограничено заданными верхним и нижним пределами управляющего выхода (MH, ML), ограничение сброса влияет непосредственно на интегральную составляющую выходной величины MV’, предшествующей MV в расчете.
Если клемма RL1 не подсоединена, в качестве значения сигнала сброса RLV1 используется значение, считанное с адресата выхода. Если клемма RL2 не подсоединена, в качестве сигнала сброса RLV2 в расчетах используется “0”.
![]() где ∆MV – приращение управляющего воздействия (после коррекции);
∆MVn0 – величина, вычисленная ПИД регулятором (приращение MV до коррекции);
MV’n-1 – предыдущее вычисленное значение MV (значение до ограничения выхода);
RLV1 – сигнал сброса с клеммы RL1;
RLV2 – сигнал сброса с клеммы RL2;
∆T – период управления;
TI – время интегрирования.
|
При управляющем действии скоростного типа происходит следующее:
Интегральное насыщение
Обычно при управляющем действии скоростного типа ситуация интегрального насыщения не происходит, так как накопленное значение приращения управляющего выхода ∆MV в каждом цикле ПЛК ограничено. Однако, если значения, считываемые с адресата выхода, не ограничены ни уставками верхнего/нижнего пределов шкалы MV, ни верхним/нижним ограничителем MV, изменение управляющего выхода (ΔMV) накапливается в течение каждого цикла ПЛК подобно действиям позиционного типа. В этом случае происходит интегральное насыщение.
Явление избыточного удержания выходного сигнала
Когда при изменениях управляющего выхода MV, вызванных возмущениями импульсного типа, выход MV ограничен уставкой верхнего/нижнего предела (MH, ML), возникает явление удержания выходного сигнала, если управляющее воздействие относится к скоростному типу.
Когда управляющий выход был ограничен уставкой верхнего или нижнего предела (MH, ML), значительное изменение переменной процесса PV, обусловленное возмущениями, может чрезмерно удерживать значение управляющего выхода MV от исходного значения. Когда возмущения исчезают, переменная процесса возвращается на исходный уровень. Это явление называется "удержанием выходного сигнала" и обусловлено тем, что управляющий выход (MV) ограничен уставкой верхнего/нижнего предела (MH, ML). К текущему значению MV, ограниченному ограничителем, добавляется приращение ΔMV, обусловленное возмущением, противоположным по направлению изменения текущего MV.
Явление удержания выходного сигнала не возникает при управляющем воздействии позиционного типа, так как пропорциональная составляющая управляющего выхода MV не ограничена уставкой верхнего/нижнего предела (MH, ML).
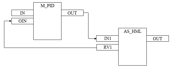
Пример применения совместно с блоком селектора (AS_HML)
На рисунке ниже показан пример функции ограничения сброса при автоматическом выборе сигналов из двух вышестоящих функциональных блоков регуляторов с помощью блока автоселектора (AS_HML).
На данной схеме функция возврата выхода селектора AS_HML, находящегося в режиме автовыбора (SW = 4), совместно с функцией ограничения сброса вышестоящих ПИД-регуляторов (M_PID) позволяет невыбранным ПИД-регуляторам отслеживать выходное значение селектора, что обеспечивает безударный переход в случае их переключения.

Для функционирования вышеуказанной схемы необходимо ко входу OIN (вход сигнала слежения от выходного блока) вышестоящего регулятора присвоить переменную RVX нижестоящего селектора, где X - номер входа IN селектора, к которому подключен выход вышестоящего регулятора. В этом случае при переходе нижестоящего селектора в режим автовыбора (SW = 4) изменится состояние данных его переменных RVX, где X - номера невыбранных входов, на SVPB (возникнет требование приравнять значения невыбранных входов к выбранному входу), при этом MV вышестоящих невыбранных регуляторов начнет отслеживать значение выхода нижестоящего селектора через вход OIN.
Пример схемы каскадного соединения регулятора с селектором:

Пример реализации каскадного соединения регулятора с селектором в среде разработки Astra.IDE :


