5.5.2.2.1.2.1. Алгоритм
Селектор сигналов SS_HML сравнивает значения сигналов нескольких входов, затем выбирает 1 сигнал (PV) как выходной. Этот блок может применяться в контуре выбора сигнала.
Селектор сигнала SS_HML сравнивает сигналы 2-х позиционного или 3-х позиционного входа, а затем выбирают сигнал (PV) наибольшего, наименьшего, медианного или среднего значения в качестве выходного. Выбор может выполняться вручную.
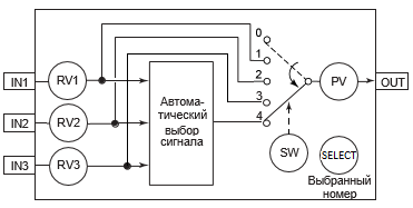
Функциональная блок-схема:

Выбор типа селектора осуществляется в среде Astra.IDE с помощью конфигурационного параметра CONFIG.TYPE_SELECT типа ENUM_TYPE_SELECT.
Варианты конфигурации селектора SS_HML:
|
Тип селектора
|
Значение
CONFIG.TYPE_SELECT
|
Правило автоматического выбора
|
|
MAXIMUM
|
2
|
Выбирает максимальное значение
|
|
MEDIUM
|
1
|
Выбирает медианное значение
|
|
MINIMUM
|
0
|
Выбирает минимальное значение
|
|
AVERAGE
|
3
|
Выбирает среднее значение
|
Методы доступа к входам/выходам и адресаты соединения входов/выходов селектора сигнала (SS_HML):
|
Вход/Выход
|
Метод доступа
к входам/выходам
|
Адресат соединения
| |||
|
Каналы модулей
ввода/вывода ПЛК
|
Переменные
внешней логики
|
Входы/выходы функциональных блоков
| |||
|
IN1
|
Входной сигнал 1
|
Запись
|
-
|
x
|
x
|
|
IN2
|
Входной сигнал 2
|
Запись
|
-
|
x
|
x
|
|
IN3
|
Входной сигнал 3
|
Запись
|
-
|
x
|
x
|
|
OUT
|
Выход
|
Чтение
|
x
|
x
| |
x: соединение разрешено
-: соединение запрещено
Методы, используемые селекторами сигнала (SS_HML) для получения сигналов входа (от RV1 до RVЗ), могут относиться к одному из двух типов: вход соединения или постоянный вход.
Метод постоянного входа не использует соединение с входами блока. Вместо этого, значение сигнала входа (RVn), задаваемое в окне параметров блока на АРМ оператора, используется как константа.
Настройка типа для каждого входного сигнала осуществляется в среде Astra.IDE с помощью конфигурационных параметров CONFIG.INPUT.INPUT_SIGN1, CONFIG.INPUT.INPUT_SIGN2 и CONFIG.INPUT.INPUT_SIGN3 типа ENUM_SIGN_TYPE. Входной сигнал, для которого задан вход соединения, но само соединение к вышестоящему блоку отсутствует, не будет учитываться в алгоритме выборе сигнала селектором.
Назначение селектора сигнала (SS_HML)
Блок SS_HML выполняет обработку вычислений, обработку выхода и обработку сигнализации.
Список доступных типов обработки выхода функционального блока SS_HML:
Нет преобразования
Аналоговый выход
Выход подсистемы
Список доступных тревог функционального блока SS_HML:
Нормальное состояние (NR)
Высокая сигнализация размыкания входа (IOP)
Сигнализация нарушения соединения (CNF)
Список доступных режимов функционального блока SS_HML:
Подробная информация об обработке выxода ознакомьтесь с разделом 1.1.5. Обработка выхода
Подробная информация об обработке аварийной сигнализации ознакомьтесь с разделом 1.1.6. Обработка сигнализации
|
Обработка управляющих вычислений
Функции обработки управляющих вычислений блока селектора (SS_HML):
|
Обработка управляющих вычислений
|
Описание
|
|
Выбор сигнала
|
Сравниваются значения трех входных сигналов (RV1, RV2, RVЗ) и выбирается сигнал, который удовлетворяет условию выбора (зависит от сконфигурированного типа селектора).
|
|
Возврат PV
|
Приводит невыбранные значения входного сигнала в соответствие с выбранным значением сигнала (PV).
|
Выбор сигнала
Функция выбора сигнала выбирает один сигнал из нескольких входных сигналов. Какой сигнал будет выбран, зависит от сконфигурированного типа селектора (SS_HML) и значения переключателя (SW) выбора сигнала.
Функция переключателя выбора сигнала (SW)
Соответствие между позициями переключателя выбора сигнала и действиями:
|
Позиция переключателя (SW)
|
Действие
|
|
0
|
Сохраняется выбранное значение сигнала (PV)
|
|
1
|
Выбирается входной сигнал 1
|
|
2
|
Выбирается входной сигнал 2
|
|
3
|
Выбирается входной сигнал 3
|
|
4
|
Выбирается сигнал в результате сравнения значений (автоматический выбор)
|
Когда переключатель выбора сигнала (SW) установлен на автоматический выбор (SW = 4) значение входных сигналов (от RV1 до RVЗ) сравнивается. Блок SS_HML выбирает наибольшее, наименьшее, медианное или среднее значение в зависимости от сконфигурированного типа селектора как значение выбранного сигнала (PV).
Когда SW установлен от 1 до 3 входной сигнал (RV[SW]), который соответствует каждому значению SW, выбирается безусловно.
Когда SW установлен на 0 выбор сигнала не выполняется, но предыдущее выбранное значение сигнала (PV) фиксируется и выводится.
Если выполняется автоматический выбор при типе селектора MAXIMUM или MINIMUM и один из входных сигналов имеет плохое (BAD) состояние данных, то наибольшее или наименьшее значение будет выбираться из данных, исключая недостоверный сигнал. Если два входных сигнала являются плохими (BAD), то оставшийся достоверный входной сигнал (RVn) становится выбранным.
Нижеследующая таблица устанавливает соответствие недостоверных входных сигналов и действий при типе селектора MEDIUM:
|
Входной сигнал с состоянием
данных BAD
|
Действие
|
|
RV1
|
Выбирается RV2.
|
|
RV2
|
Выбирается RV1.
|
|
RV3
|
Выбирается RV2.
|
|
Любые два сигнала
|
Выбирается RVn, состояние данных которого не BAD.
|
Нижеследующая таблица устанавливает соответствие недостоверных входных сигналов и действий при типе селектора AVERAGE:
|
Входной сигнал с состоянием
данных BAD
|
Действие
|
|
RV1
|
Расчетное среднее значение между RV2 и RV3.
|
|
RV2
|
Расчетное среднее значение между RV1 и RV3.
|
|
RV3
|
Расчетное среднее значение между RV1 и RV2.
|
|
Любые два сигнала
|
Выбирается RVn, состояние данных которого не BAD.
|
При недостоверности всех входов (все сигналы имеют состояние ВАD) сохраняется предыдущее выбранное значение и сохраняется предыдущее положение переключателя SW для всех типов селекторов (с выбором максимального, медианного, минимального и среднего значения).
Правила определения состояния данных значения выбранного сигнала (PV) даны ниже:
Когда SW = 0 сохраняется предыдущее состояние.
Когда SW = 1..3 состояние значения выбранного сигнала (PV) определяется на основе состояния текущего выбранного входного сигнала.
Когда SW = 4 состояние значения выбранного сигнала (PV) определяется на основе состояния текущего выбранного входного сигнала. Если все входные сигналы имеют недостоверное состояние данных (BAD), то состояние данных выбранного сигнала (PV) также становится недостоверным (BAD).
Отображение выбранного номера (SELECT)
Независимо от того, выполняется действие выбора сигнала автоматически или вручную, оно отображает номер текущего выбранного входного сигнала (1, 2 или 3) как выбранный номер (SELECT). Если позиция переключателя выбора сигнала - 0 и нет выбранного
сигнала, то SELECT принимает значение 0.
Изменение значения выбранного сигнала (PV)
Когда переключатель выбора сигнала находится в позиции 0, значение выбранного сигнала (PV) может задаваться в рабочем окне или окне параметров блока на АРМ оператора или из другого функционального блока.
Параметры установки выбора сигнала
Если позиция переключателя выбора сигнала установлена в рабочем окне или окне параметров блока на АРМ оператора выше задания верхнего предела переключателя (SWH) или ниже задания нижнего предела переключателя (SWL), то данная установка отменяется и позиция переключателя возвращается на предыдущее значение.
Возврат PV
Функция возврата PV приводит невыбранные значения входного сигнала (от RV1 до RV3) в соответствие с выбранным значением сигнала (PV).
На рисунке ниже показано действие возврата PV:

Резкое изменение выбранного значения сигнала (PV) при переключении селекторного переключателя может оказать негативное влияние на процесс. Предотвращение такого резкого изменения выбранного значения сигнала (PV) называется «безударным переключением». Сочетание функции возврата PV с функцией отслеживания выхода вышестоящего функционального блока, подключенного к входу селектора, позволяет безударно изменять положение селекторного переключателя. В следующем примере показан контур управления, в котором положение селекторного переключателя изменяется безударно.

Порядок работы данной схемы:
Функция возврата PV устанавливает выбранное значение сигнала (PV) на невыбранные входные сигналы (приравнивает значения параметров от RV1 до RV3 невыбранных входов к значению PV), при этом статус параметров от RV1 до RV3 невыбранных входов устанавливается на CND или SVPB.
Функция отслеживания выхода вышестоящих функциональных блоков, подключенных к селектору, позволяет выходному значению этих функциональных блоков через вход OIN отслеживать выбранное значение селектора через параметры от RV1 до RV3.
