5.5.2.2.3.2.2.1. Алгоритм

Блок трехполюсного трехпозиционного селекторного переключателя в режиме демультиплексора (SW_33_DMS) используется при необходимости изменения пути прохождения трехпозиционного сигнала.
Блок трехполюсного трехпозиционного селекторного переключателя в режиме демультиплексора (SW_33_DMS) представляет собой функциональный блок, который изменяет пути прохождения сигналов в соответствии с командой переключения.
Функциональная блок-схема:

Методы доступа к входам/выходам и адресаты соединения входов/выходов блока:
|
Вход/Выход
|
Метод доступа
к входам/выходам
|
Адресат соединения
| |||
|
Каналы модулей
ввода/вывода ПЛК
|
Переменные
внешней логики
|
Входы/выходы функциональных блоков
| |||
|
S10
|
Вход S10
|
Запись
|
x
|
x
| |
|
S20
|
Вход S20
|
Запись
|
x
|
x
| |
|
S30
|
Вход S30
|
Запись
|
x
|
x
| |
|
S11
|
Выход S11
|
Чтение
|
x
|
x
| |
|
S12
|
Выход S12
|
Чтение
|
x
|
x
| |
|
S13
|
Выход S13
|
Чтение
|
x
|
x
| |
|
S21
|
Выход S21
|
Чтение
|
x
|
x
| |
|
S22
|
Выход S22
|
Чтение
|
x
|
x
| |
|
S23
|
Выход S23
|
Чтение
|
x
|
x
| |
|
S31
|
Выход S31
|
Чтение
|
x
|
x
| |
|
S32
|
Выход S32
|
Чтение
|
x
|
x
| |
|
S33
|
Выход S33
|
Чтение
|
x
|
x
| |
x: соединение разрешено
-: соединение запрещено
Назначение блока трехполюсного трехпозиционного селекторного переключателя в режиме демультиплексора (SW_33_DMS)
Блок SW_33_DMS выполняет обработку входа и вычислений.
Алгоритм вычислений
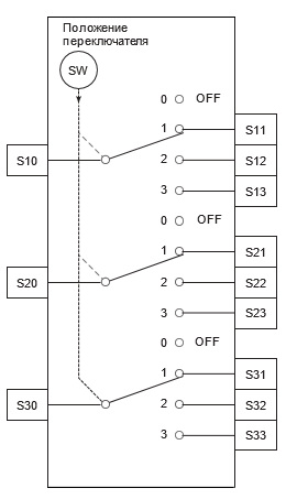
Блок трехполюсного трехпозиционного селекторного переключателя в режиме демультиплексора (SW_33_DMS) изменяет путь прохождения сигналов в соответствии со следующими значениями перключателя (SW):
SW = 0. Значения со входов не передаются на выходы.
SW = 1. Значения со входов S10, S20, S30 передаются на выходы S11, S21, S31 соответственно.
SW = 2. Значения со входов S10, S20, S30 передаются на выходы S12, S22, S32 соответственно.
SW = 3. Значения со входов S10, S20, S30 передаются на выходы S13, S23, S33 соответственно.
