5.5.2.3.3.3.1. Алгоритм

Функциональный блок TYP_MOT_HTR_V2 выполнен на основе базового функционального блока MC_2E и, соответственно, наследует его функции.
|
Функция
|
Описание
|
|
Обработка концевых выключателей и формирование входа ответного сигнала (PV).
| |
|
Сравнение значения входа ответного сигнала (PV) со значением управляющего выхода (MV) для проверки соответствия между работой исполнительного элемента и выходными сигналами блока управления двигателем.
| |
|
Значение PV не формируется по состоянию концевиков (входы IN1, IN2), а задается оператором вручную. Реальное значение концевиков (входы IN1, IN2) отслеживается по значению параметра необработанных данных (RAW).
| |
|
Имитирует внутреннюю обработку блоков управления двигателем. Не формируется значение PV (удержание предыдущего значения) и не обрабатывается вход блокировки IL. Реальное значение концевиков (входы IN1, IN2) отслеживается по значению параметра необработанных данных (RAW).
| |
|
Обход функций в соответствии с состоянием переключателя команды байпаса.
| |
|
Формирование команд управления в зависимости от значения управляющего выхода (MV).
| |
|
Обработка тревог блока и формирование списка сработавших тревог (ALRM_R) и состояния тревог (ALRM). Информация по сигнализации нарушения соединения (CNF), сигнализации размыкания выхода (OOP) и высокой сигнализации размыкания входа (IOP) представлена в общем разделе с описанием сигнализации (ссылка "Обработка сигнализации").
| |
|
Маскирование тревог, т.е. тревоги формируются, но не записываются в журнал событий.
|
Включение нагревателя может осуществляться только по месту, а отключение - локально или дистанционно. Когда нагреватель работает, то на лицевой панели загорается статус кнопки ON (PV=2). При отключении нагревателя на лицевой панели загорается индикатор состояния кнопки OFF (PV=0). Если у нагревателя нет отказа и блокировки, то блок всегда принудительно переводится в режим слежения. Команда на включение от оператора не подается.
Список доступных режимов функционального блока TYP_MOT_HTR_V2:
Вход блокировки (TT) внутреннего функционального блока MC_2E подключается к сигналу отказа. Срабатывание блокировки переведет блок в ручной режим (MAN). В этом случае появится индикация тревоги TRIP.
Сигнал "Высокая температура" (вход TEMP_HH) предназначен только для сигнализации. Он не приведет к отключению нагревателя.
Управление выходом команды разрешения от оператора
Управление выходом ENABLE осуществляется на АРМ оператора в окне разрешения от оператора, которое вызывается при нажатии на индикатор режима управления (L) мнемосимвола блока.
Настройка блока
Функциональный блок должен быть настроен на работу с сигналом блокировки входа IL типа ETS. Для этого необходимо для конфигурационного параметра типа "Control Calculation" задать прямое направление входного сигнала блокировки (INTRLK_DIR).
Задайте конфигурационному параметру CONFIG.CONTR_CALC.INTRLK_DIR значение DIRECT.
|
Инициализация
По умолчанию блок инициализируется в режиме MAN.
Функция сигнализации
Список доступных тревог функционального блока TYP_MOT_HTR_V2:
Нормальное состояние (NR)
Высокая сигнализация размыкания входа (IOP)
Сигнализация по перегреву (TRIP)
Сигнализация по блокировке (INT)
Сигнализация нарушения соединения (CNF)
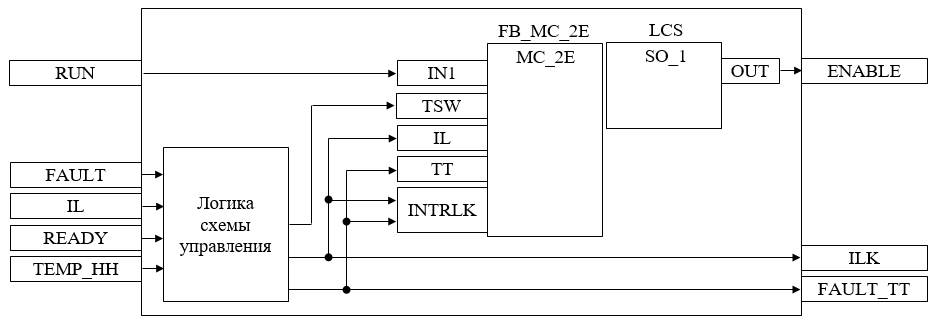
Функциональная блок-схема

Состав элементов блока:
Блок LCS базового типа SO_1 используется для формирования команды разрешения от оператора для работы нагревателя в местном режиме.
Подпрограмма логики схемы управления используется для управления блоком LCS и для формирования обобщенных сигналов блокировки и неисправности нагревателя.
Методы доступа к входам/выходам и адресаты соединения входов/выходов:
|
Вход/Выход
|
Метод доступа
к входам/
выходам
|
Адресат соединения
| |||
|
Каналы модулей
ввода/
вывода ПЛК
|
Переменные
внешней
логики
|
Входы/выходы функциональных блоков
| |||
|
RUN
|
Сигнал работы
|
Запись
|
x
|
x
| |
|
FAULT
|
Неисправность
|
Запись
|
x
|
x
| |
|
IL
|
Входной сигнал блокировки работы
|
Запись
|
x
|
x
| |
|
READY
|
Готовность
|
Запись
|
x
|
x
| |
|
ENABLE
|
Команда разрешения
|
Чтение
|
x
|
x
| |
x: соединение разрешено
-: соединение запрещено
