5.5.2.3.4.5.1. Алгоритм

Функциональный блок TYP_MOV_V2 выполнен на основе базового функционального блока MC_3E и, соответственно, наследует его функции.
|
Функция
|
Описание
|
|
Обработка концевых выключателей и формирование входа ответного сигнала (PV).
| |
|
Сравнение значения входа ответного сигнала (PV) со значением управляющего выхода (MV) для проверки соответствия между работой исполнительного элемента и выходными сигналами блока управления двигателем.
| |
|
Значение PV не формируется по состоянию концевиков (входы IN1, IN2), а задается оператором вручную. Реальное значение концевиков (входы IN1, IN2) отслеживается по значению параметра необработанных данных (RAW).
| |
|
Имитирует внутреннюю обработку блоков управления двигателем. Не формируется значение PV (удержание предыдущего значения) и не обрабатывается вход блокировки IL. Реальное значение концевиков (входы IN1, IN2) отслеживается по значению параметра необработанных данных (RAW).
| |
|
Обход функций в соответствии с состоянием переключателя команды байпаса.
| |
|
Формирование команд управления в зависимости от значения управляющего выхода (MV).
| |
|
Обработка тревог блока и формирование списка сработавших тревог (ALRM_R) и состояния тревог (ALRM). Информация по сигнализации нарушения соединения (CNF), сигнализации размыкания выхода (OOP) и высокой сигнализации размыкания входа (IOP) представлена в общем разделе с описанием сигнализации (ссылка "Обработка сигнализации").
| |
|
Маскирование тревог, т.е. тревоги формируются, но не записываются в журнал событий.
|
Список доступных режимов:
Вход перегрузки (TT) внутреннего функционального блока MC_3E подключается к сигналу неисправности (вход FAULT). Срабатывание неисправности переведет блок в ручной режим (MAN) и вызовет появление индикации тревоги TRIP. Поведение задвижки при неисправности конфигурируется в среде Astra.IDE с помощью входа FLT_TYPE_CONF типа ENUM_F_TYPE.
Вход блокировки (IL) внутреннего функционального блока MC_3E подключается к сигналу блокировки работы блока (вход IL). Срабатывание блокировки переведет блок в ручной режим (MAN) и вызовет появление индикации тревоги INT. Поведение задвижки при блокировке конфигурируется в среде Astra.IDE с помощью входа F_TYPE_CONF типа ENUM_F_TYPE.
Функциональные возможности в режиме MAN:
Если оператор подает команду OPEN при зафиксированном переключателе "МЕСТН./ДИСТ." задвижки в положении "ДИСТ." и отсутствует действующий импульс команды останова, то команда открытия немедленно передается механизму;
Если оператор подает команду CLOSE при зафиксированном переключателе "МЕСТН./ДИСТ." задвижки в положении "ДИСТ." и отсутствует действующий импульс команды останова, то команда закрытия немедленно передается механизму;
Если оператор подает команду STOP при зафиксированном переключателе "МЕСТН./ДИСТ." задвижки в положении "ДИСТ." и нахождении задвижки в промежуточном положении (PV = 1), то команда останова немедленно передается механизму;
Если оператор подает команду STOP при зафиксированном переключателе "МЕСТН./ДИСТ." задвижки в положении "ДИСТ." и нахождении задвижки в закрытом положении (PV = 0), то блок на один цикл ПЛК переходит в режим отслеживания (TRK) и при конфигурационном параметре CONFIG.CONTR_CALC.ANSW_TRACK = TRUE принудительно переведет задвижку в закрытое состояние (MV = 0) c выдачей команды закрытия на механизм;
Если оператор подает команду STOP при зафиксированном переключателе "МЕСТН./ДИСТ." задвижки в положении "ДИСТ." и нахождении задвижки в открытом положении (PV = 2), то блок на один цикл ПЛК переходит в режим отслеживания (TRK) и при конфигурационном параметре CONFIG.CONTR_CALC.ANSW_TRACK = TRUE принудительно переведет задвижку в открытое состояние (MV = 2) c выдачей команды открытия на механизм;
Если оператор подает команду OPEN при зафиксированном переключателе "МЕСТН./ДИСТ." задвижки в положении "ДИСТ." во время ее закрытия (MV = 0) и обратная связь по закрытию не поступила (PV <> 0), то генерируется импульс останова, за которым следует команда открытия;
Если оператор подает команду CLOSE при зафиксированном переключателе "МЕСТН./ДИСТ." задвижки в положении "ДИСТ." во время ее открытия (MV = 2) и обратная связь по открытию не поступила (PV <> 2), то генерируется импульс останова, за которым следует команда закрытия;
Если оператор подает команду OPEN при зафиксированном переключателе "МЕСТН./ДИСТ." задвижки в положении "ДИСТ." во время ее закрытия (MV = 0) и обратная связь по закрытию не поступила (PV <> 0), то генерируется импульс останова, за которым следует команда открытия;
Если задвижка находится в местном режиме (переключатель "МЕСТН./ДИСТ." в положении "МЕСТН.") при отсутствии активного сигнала блокировки (вход IL) и сигнала неисправности (вход FAULT), то блок переходит в режим отслеживания (TRK) и команды Open/Stop/Close становятся недоступными для отправки из HMI.
Если по задвижке отсутствует готовность (вход READY) и отсутствую сигналы о ее движении (входы RUN_OPEN и RUN_CLOSE) , то блок переходит в режим отслеживания (TRK) и команды Open/Stop/Close становятся недоступными для отправки из HMI.
Работа блока в ручном режиме
Управление задвижкой в ручном режиме осуществляется оператором при условии отсутствия блокировок.
Переход блока в режим MAN может происходить по команде от оператора, по сигналу неисправности (вход FAULT = TRUE) или после окончания действия внешних команд открытия/закрытия при отключенном удержании автоматического режима (вход HLD_AUT = FALSE), а именно, при открытии задвижки от внешней команды EX_OPEN блок перейдет в режим MAN после окончания длительности импульсной команды (значение EX_OPEN при этом становится не важно) и при закрытии задвижки от внешней команды EX_CLOSE блок перейдет в режим MAN после ее деактивации (вход EX_CLOSE = FALSE).
Работа блока в автоматическом режиме
Управление задвижкой в автоматическом режиме осуществляется от внешних команд открытия (вход EX_OPEN) и закрытия (вход EX_CLOSE) при условии отсутствия блокировок.
Переход блока в режим AUT может происходить при отсутствии запрета работы с внешними командами (вход DIS_EX_CMD = FALSE) по команде от оператора или от внешних команд открытия/закрытия при отсутствии соответствующего запрета (вход DIS_EX_AUT = FALSE).
При этом в режиме блока MAN при наличии запрета перехода в автоматический режим от внешних команд (вход DIS_EX_AUT = TRUE) внешние команды игнорируются, а при отсутствии запрета (вход DIS_EX_AUT = FALSE) управление блоком от внешних команд осуществляется следующим образом:
Активация функции "Внешнее открытие" (вход EX_CLOSE = TRUE) переводит блок в режим AUT (если блок не был предварительно переведен оператором) и автоматически открывает задвижку (импульсная команда с настраиваемой длительностью). Если удержание автоматического режима отключено (вход HLD_AUT = FALSE), то по окончании заданного периода времени происходит переход в режим MAN (независимо от значения внешней команды на входе EX_OPEN). Если удержание автоматического режима включено (вход HLD_AUT = TRUE), то по окончании заданного периода времени будет удерживаться режим AUT (независимо от значения внешней команды на входе EX_OPEN).
Активация функции "Внешнее закрытие" (вход EX_CLOSE = TRUE) переводит блок в режим AUT (если блок не был предварительно переведен оператором) и автоматически закрывает задвижку (импульсная команда с настраиваемой длительностью). Если удержание автоматического режима отключено (вход HLD_AUT = FALSE), то блок будет автоматически переведен в режим MAN после деактивации внешней команды (вход EX_CLOSE = FALSE). Если удержание автоматического режима включено (вход HLD_AUT = TRUE), то при деактивации внешней команды будет удерживаться режим AUT (независимо от значения внешней команды на входе EX_CLOSE).
Блок может быть настроен на работу в импульсном или потенциальном режимах. Если входному параметру TYPE_CTRL задано значение IMP, то блок работает в режиме импульсного управления. Если входному параметру TYPE_CTRL задано значение POT, то блок работает в режиме потенциального управления.
При импульсном управлении (TYPE_CTRL = IMP) команда открытия/закрытия от оператора (локально или дистанционно) или от внешней логики формирует на выходе OPEN/CLOSE блока импульс заданной длины. Команда останова от оператора (локально или дистанционно) или от внешней логики формирует соответствующий импульс на выходе STOP.
При потенциальном управлении (TYPE_CTRL = POT) выход блока STOP не используется. Команда открытия/закрытия от оператора (локально или дистанционно) или от внешней логики формирует на выходе OPEN/CLOSE значение TRUE, а команда останова – значение FALSE.
Приоритет обработки команд
Выдача команд при одновременном срабатывании входов неисправности (FAULT) и блокировки (IL) в режиме отслеживания (TRK), переход в который происходит по отсутствии готовности задвижки (READY = FALSE) или при переключателе "МЕСТН./ДИСТ." в положении "МЕСТН.", выполняется в соответствии с приоритетами (от низшего к высшему):
Сигнал блокировки (вход IL). Цвет тревоги - желтый.
Режим отслеживания TRK. MV следит за PV (управление задвижкой по месту) независимо от настройки поведения блока при блокировке.
Режим IMAN (отказ DO ПЛК, к которому привязаны выходные команды блока). MV следит за значениями DO ПЛК через входы OIN_OPEN, OIN_STOP и OIN_CLOSE.
Неисправность привода (вход FAULT). Цвет тревоги - красный.
Управление выходом команды разрешения от оператора
Управление выходом ENABLE осуществляется на АРМ оператора в окне разрешения от оператора, которое вызывается при нажатии на индикатор режима управления (R/L) мнемосимвола блока. Доступность управления выходом ENABLE для типов управления "МЕСТН." и "ДИСТ." зависит от настройки конфигурационного параметра ENABLE_CONTR_TYPE (тип управления, при котором формируется выход ENABLE) типа ENUM_CONTR_TYPE, для которого возможны следующие значения:
LOCAL (местный режим). Управление доступно при нахождении переключателя задвижки в положении "МЕСТН.". При этом при нахождении переключателя задвижки в положении "ДИСТ." выход ENABLE принудительно переводится в FALSE.
REMOTE (дистанционный режим). Управление доступно при нахождении переключателя задвижки в положении "ДИСТ.". При этом при нахождении переключателя задвижки в положении "МЕСТН." выход ENABLE принудительно переводится в FALSE.
ALL (оба режима). Управление доступно в обоих режимах.
NONE (без участия оператора). Управление от оператора недоступно в обоих режимах. При этом при нахождении переключателя арматуры в положении "ДИСТ." выход ENABLE принудительно переводится в TRUE, а в положении "МЕСТН." выход ENABLE принудительно переводится в FALSE.
Настройка блока
Функциональный блок должен быть настроен на работу с сигналом блокировки входа IL типа ETS. Для этого необходимо для конфигурационного параметра типа "Control Calculation" задать прямое направление входного сигнала блокировки (INTRLK_DIR).
Задайте конфигурационному параметру CONFIG.CONTR_CALC.INTRLK_DIR значение DIRECT.
|
Инициализация
По умолчанию блок инициализируется в режиме MAN.
Функция сигнализации
Список доступных тревог:
Нормальное состояние (NR)
Сигнализация размыкания выхода (OOP)
Высокая сигнализация размыкания входа (IOP)
Сигнализация несоответствия ответа (PERR)
Ошибка ответа + (ANS+)
Ошибка ответа - (ANS-)
Сигнализация по блокировке (INT)
Сигнализация нарушения соединения (CNF)
Сигналы тревог ANS+ и ANS- формируются, когда управляющее выходное значение (MV) и переменная процесса обратной связи (PV) не совпадают по причине изменения значения MV и отсутствия изменения значения PV в течение заданного времени (MTM, с). Этот параметр определяет время, необходимое оборудованию для достижения заданного состояния (например, открытого состояния после подачи команды "открыть" или закрытого состояния после подачи команды "закрыть").
Тревоги "Самопроизвольное открытие" и "Самопроизвольное закрытие" формируются, когда управляющее выходное значение (MV) и переменная процесса обратной связи (PV) не совпадают по причине изменения значения PV и отсутствия изменения значения MV в течение заданного времени (MTM2, с). Этот параметр определяет время, необходимое для обнаружения самопроизвольного движения задвижки (например, самопроизвольного открытия без подачи команды "открыть" или самопроизвольного закрытия без подачи команды "закрыть"). Данные тревоги формируются только в качестве сообщений в журнале событий без влияния на выходные параметры ALRM (состояние тревог) и ALRM_R (список сработавших тревог) блока.
Также может быть сформирована сигнализация несоответствия ответа (PERR). Этот сигнал указывает на состояние, в котором пришел несанкционированный входной сигнал, что может быть следствием неисправности оборудования, когда одновременно активны сигналы "полностью открыт" и "полностью закрыт".
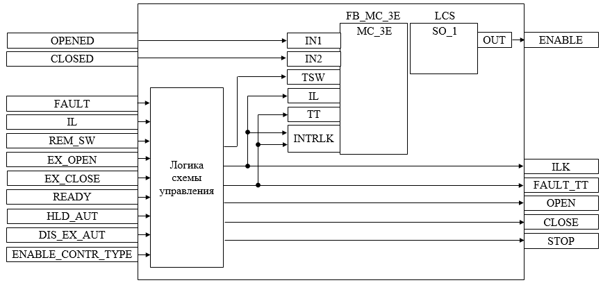
Функциональная блок-схема

Состав элементов блока:
Блок FB_MC_3E базового типа MC_3E используется для передачи команд открытия/закрытия/останова оператором и для отображения состояния задвижки.
Блок LCS базового типа SO_1 используется для формирования команды разрешения (выход ENABLE) от оператора.
Подпрограмма логики схемы управления используется для приема и обработки команд открытия/закрытия от внешней логики с принудительным переводом блока в автоматический и ручной режим в зависимости от конфигурационных параметров HLD_AUT, DIS_EX_AUT и DIS_EX_CMD, для управления блоком LCS в зависимости от конфигурационного параметра ENABLE_CONTR_TYPE, для формирования команд открытия/закрытия/останова и для формирования обобщенных сигналов блокировки и неисправности привода задвижки.
Методы доступа к входам/выходам и адресаты соединения входов/выходов:
|
Вход/Выход
|
Метод доступа
к входам/
выходам
|
Адресат соединения
| |||
|
Каналы модулей
ввода/вывода ПЛК
|
Переменные
внешней
логики
|
Входы/выходы функциональных блоков
| |||
|
OPENED
|
Концевой выключатель открытия
|
Запись
|
x
|
x
| |
|
CLOSED
|
Концевой выключатель закрытия
|
Запись
|
x
|
x
| |
|
FAULT
|
Неисправность
|
Запись
|
x
|
x
| |
|
IL
|
Входной сигнал блокировки работы
|
Запись
|
x
|
x
| |
|
REM_SW
|
Переключатель "МЕСТН./ДИСТ."
|
Запись
|
x
|
x
| |
|
READY
|
Готовность
|
Запись
|
x
|
x
| |
|
OPEN
|
Команда открытия
|
Чтение
|
x
|
x
| |
|
CLOSE
|
Команда закрытия
|
Чтение
|
x
|
x
| |
|
STOP
|
Команда останова
|
Чтение
|
x
|
x
| |
|
ENABLE
|
Команда разрешения
|
Чтение
|
x
|
x
| |
x: соединение разрешено
-: соединение запрещено
